Homepage Garage Wiki Register Community Calendar Today's Posts Search
#Camaro6
Go Back   CAMARO6 > Engine | Drivetrain | Powertrain Technical Discussions > Transmissions


AWE Tuning


Post Reply
 
Thread Tools
Old 07-15-2023, 07:23 PM   #15
cdb95z28


 
cdb95z28's Avatar
 
Drives: 2022 1SS 1LE A10 BCD WCT+PDR
Join Date: Mar 2008
Location: Johnstown, PA
Posts: 3,814
Quote:
Originally Posted by sr71bb View Post
OK CORRECTION!!! It appears that my A10 uses ONLY the parallel cooler and DOES not have a line that goes to the radiator. This is more efficient since the AT line doesnt have to go thru a radiator that is being pre-heated by hot water.

The SAFE temp levels for BOTH AT Fluid and Water are about the same or around 220 degrees. The HIGHEST I have since water temp even on a VERY HOT track day is around 212 degrees and that is PRIOR to me installing my hood vents. ON day to day driving, the hood vents appear to make about a 5 degree REDUCTION in water temps.

The hottest I have seen though with tranny temps is around 250 degrees and that SPECIFICALLY is the reason for the change to the ZL1 tranny cooler.

I will post up the MAX temps that I see on both after this weekends blazing hot SCCA Time trials on Saturday.
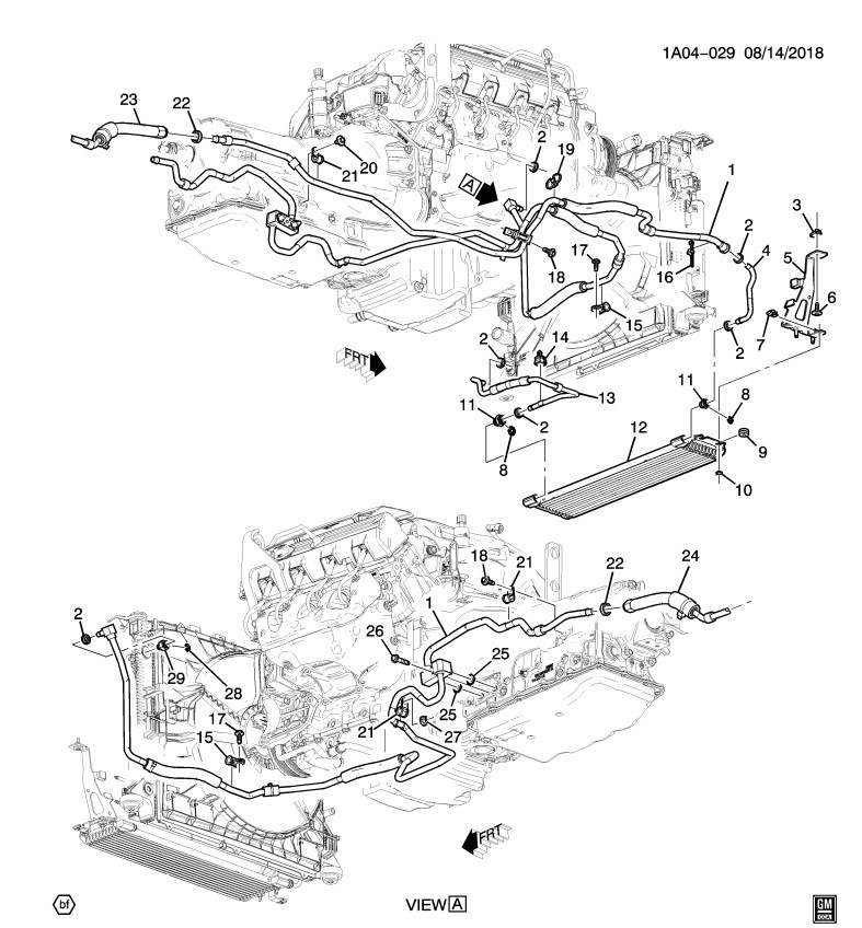
My '22 SS 1LE A10 does have two ATF coolers, one of which is in the radiator. The cooler you replaced is considered the auxiliary cooler. See pic below on the GM diagram for the A10 cooling components.

But, nice upgrade to the ZL1 cooler!

Name:  A10 COOLER PIPES SS 1LE.jpg
Views: 1104
Size:  186.0 KB
__________________
2022 1SS 1LE A10 BCD WCT+PDR2014 1SS 1LE NPP RECARO SIM-SOLD1995 Z28 M6 GSC PGM-SOLD1975 NOVA COUPE 300HP 350 TH350 FLASH RED-SOLD
"KEEP THE FAITH"-Fbodfather
cdb95z28 is offline   Reply With Quote
Old 07-15-2023, 07:53 PM   #16
lt4camaro


 
lt4camaro's Avatar
 
Drives: 2021 LT1 10 speed auto
Join Date: May 2013
Location: Connecticut
Posts: 2,355
Quote:
Originally Posted by Dynamical View Post
Interesting! I'll be looking at my A10 in a few wks. I'll see if mine came with it. I would rather it NOT have
Take a good look, there are no lines from the cooler to the radiator.
lt4camaro is offline   Reply With Quote
Old 07-15-2023, 08:04 PM   #17
cdb95z28


 
cdb95z28's Avatar
 
Drives: 2022 1SS 1LE A10 BCD WCT+PDR
Join Date: Mar 2008
Location: Johnstown, PA
Posts: 3,814
Quote:
Originally Posted by lt4camaro View Post
Take a good look, there are no lines from the cooler to the radiator.
Defining my pic from the above post, it most certainly does.

Within the blue box, pipe #13 connects the aux (plate) cooler, component #12, to the bottom of the radiator. This connection is not shown in "View A" but it is clear in the upper view. GM does this on their diagrams to not muddy the waters.

Within the red box we see that the other end of the piping system, component #1, connects to the radiator at the top.

I studied my '22's piping system to look for a way to do a full fluid exchange. My notes of the fluid flow are at home but all of the components on the diagram match my car.
Attached Images
 
__________________
2022 1SS 1LE A10 BCD WCT+PDR2014 1SS 1LE NPP RECARO SIM-SOLD1995 Z28 M6 GSC PGM-SOLD1975 NOVA COUPE 300HP 350 TH350 FLASH RED-SOLD
"KEEP THE FAITH"-Fbodfather
cdb95z28 is offline   Reply With Quote
Old 07-15-2023, 08:06 PM   #18
Joshinator99
Moderator
 
Joshinator99's Avatar
 
Drives: 2017 Camaro 2SS A8
Join Date: Aug 2018
Location: New Ipswich NH
Posts: 6,322
Quote:
Originally Posted by cdb95z28 View Post
Defining my pic from the above post, it most certainly does.

Within the blue box, pipe 13 connects the aux (plate) cooler to the bottom of the radiator. This connection is not shown in "View A" but it is clear in the upper view. GM does this on their diagrams to not muddy the waters.

Within the red box we see that the other end of the piping system connects to the radiator at the top.

I studied my '22's piping system to look for a way to do a full fluid exchange. My notes of the fluid flow are at home but all of the components on the diagram match my car.
I’m 99% sure my ‘17 A8 is the same way. Radiator first, then to the lay down aux trans cooler.
__________________
2017 Chevy Camaro 2SS A8 Whipple 3.0, Mast Black Label heads, ATI 8L90, Fore triple in-tank pumps, 112mm TB, LPE +52% injectors & BB HPFP, TooHighPSI/Katech port injection, 15” conversion 1066 WHP STD/1027 SAE, 9.10@152.5 (new times coming)
Joshinator99 is offline   Reply With Quote
 
Post Reply


Posting Rules
You may not post new threads
You may not post replies
You may not post attachments
You may not edit your posts

BB code is On
Smilies are On
[IMG] code is On
HTML code is Off

Forum Jump


All times are GMT -5. The time now is 05:30 AM.


Powered by vBulletin® Version 3.8.9 Beta 4
Copyright ©2000 - 2026, vBulletin Solutions, Inc.