Homepage Garage Wiki Register Community Calendar Today's Posts Search
#Camaro6
Go Back   CAMARO6 > Technical Camaro Topics > Audio, Video, Bluetooth, Nav, Radar, Electronics


Phastek Performance


Post Reply
 
Thread Tools
Old 07-02-2023, 06:54 PM   #1
olrocker

 
olrocker's Avatar
 
Drives: People crazy with my sexiness
Join Date: Jun 2023
Location: Northeast Ohio
Posts: 1,007
Complete Stereo upgrade on Bose System - Update

Hi everyone,

I have a 2024 2SS on order. My personal opinion about all factory stereos - even “premium” systems - is that they’re never as good as something you can put together for as little as about $1500 in aftermarket amps and speakers. I used to do car stereo installs in the early 2000s and you’d be amazed at what you can do with really nice factory sized 6.5” and 6x9” speakers with a really good amp or two, WITHOUT even a sub, if you do it right and use the right brands.

So I’ve been doing some research and apparently the Camaro Bose systems from 2016-2018 are a completely different hardware and software configuration than those from 2019-present.

I’d like to know from those of you who’ve done significant upgrades (not just “add a sub” but full replacement of all the speakers and complete aftermarket amps driving all of them) on 2019-present models what you’ve done, components you’ve used, and which manufacturers/models of speakers and amps. Also which processor do you have to convert the data signal into the Bose processor into RCA analog audio for the aftermarket amps.

Thanks!
__________________
Purchase order submitted on 6/23/23
Received and purchased 9/8/2023
2024 2SS 6MT coupe
Sharkskin/Light gray
Moonroof/Navi/NPP/Mag Ride/Red Brake Calipers
Gray painted split spoke wheels
Illuminated footwells/illuminated bowtie

Last edited by olrocker; 09-22-2023 at 08:27 AM.
olrocker is offline   Reply With Quote
Old 07-03-2023, 10:46 AM   #2
Plasar
 
Drives: 2017 ZL1 Vert M6
Join Date: Feb 2019
Location: Portland, OR
Posts: 486
olrocker: Welcome and good luck on your journey to great sound!

My journey, 2017 Bose upgrade, so I could use the Nav-TV GM650 and Helix DSP:

ZL1 vert stereo upgrade

An inspiration for me was Dr Feelgood, another 2017, lucky to get this early platform:

Stage 2 Audio Upgrade ZL1

Last edited by Plasar; 07-05-2023 at 05:32 PM.
Plasar is offline   Reply With Quote
Old 07-03-2023, 11:02 AM   #3
DamonZ28

 
DamonZ28's Avatar
 
Drives: 2020 Camaro 2SS
Join Date: Nov 2022
Location: Janesville, WI
Posts: 829
See my Camaro Journal for what I did to mine:

https://www.camaro6.com/forums/showp...0&postcount=12

I would recommend getting a Sub Thump Camaro With BOSE Plug N Play T-Harness With ANC Defeat Harness Kit (google it, can't link directly to it on this forum) so you can plug & play with wiring, instead of doing all of the wire taps. Then you'll need a line out converter to go to your amp(s). From there, you probably know what to do.
__________________
2020 Camaro 2SS - Riverside Blue, NPP, Magnetic Ride, Sunroof
Soler DLX Bluetooth Throttle Controller / OFFKAT Smoked LED Side Marker Lights / Blue SS emblems on front & rear / Wildhammer Rear Dark Reflectors / Trim Illusion Gloss Black Door Handle Covers / eBay Black Fuel Door / Screaming Chicken Fender Hash Marks / Color-Matched G2 Caliper Paint
CT Sounds Tropo 10" Sub / Down4Sound MM1000 Mini Maxx amp / JL Audio LoC-22 line output converter / Sub Thump Plug N Play T-Harness With ANC Defeat Harness Kit

My Camaro Journal

Last edited by DamonZ28; 07-03-2023 at 11:28 AM.
DamonZ28 is offline   Reply With Quote
Old 07-09-2023, 02:04 AM   #4
DualSS
 
Drives: 22 Camaro 2SS A10
Join Date: Jul 2010
Location: Colorado
Posts: 64
Quote:
Originally Posted by olrocker View Post
Hi everyone,

I have a 2024 2SS on order. My personal opinion about all factory stereos - even “premium” systems - is that they’re never as good as something you can put together for as little as about $1500 in aftermarket amps and speakers. I used to do car stereo installs in the early 2000s and you’d be amazed at what you can do with really nice factory sized 6.5” and 6x9” speakers with a really good amp or two, WITHOUT even a sub, if you do it right and use the right brands.

So I’ve been doing some research and apparently the Camaro Bose systems from 2016-2018 are a completely different hardware and software configuration than those from 2019-present.

I’d like to know from those of you who’ve done significant upgrades (not just “add a sub” but full replacement of all the speakers and complete aftermarket amps driving all of them) on 2019-present models what you’ve done, components you’ve used, and which manufacturers/models of speakers and amps. Also which processor do you have to convert the data signal into the Bose processor into RCA analog audio for the aftermarket amps.

Thanks!
For starters, get a AXDSPX-ETH1, for 2019+ Bose Camaros it's the only current available option to bypass the Bose amp completely without having to splice into the factory wiring . From there you'll still have about $1100 to spend on a suitable amp/amps and speakers going off of that $1500 budget you mentioned......
__________________
2022 Camaro 2SS A10
2007 Trailblazer SS
DualSS is offline   Reply With Quote
Old 07-10-2023, 08:30 PM   #5
Plasar
 
Drives: 2017 ZL1 Vert M6
Join Date: Feb 2019
Location: Portland, OR
Posts: 486
Cool recommendation DualSS - I’m glad to see somebody is making an interface for 2019 and later Camaros.

olrocker: FYI, if you get a system like this, and will have a subwoofer, I highly recommend you install the separate sub volume control. I was hesitant, but after experiencing the wide variety of bass levels of source music, and needing more bass with the top down, it’s essential. Also, some of the comments on Crutchfield in the Reviews sound very helpful.

https://www.crutchfield.com/S-E091pB...DSPX-ETH1.html

https://axxessinterfaces.com/product/AXDSPX-ETH1
Plasar is offline   Reply With Quote
Old 07-11-2023, 03:16 AM   #6
DualSS
 
Drives: 22 Camaro 2SS A10
Join Date: Jul 2010
Location: Colorado
Posts: 64
Quote:
Originally Posted by Plasar View Post
Cool recommendation DualSS - I’m glad to see somebody is making an interface for 2019 and later Camaros.

olrocker: FYI, if you get a system like this, and will have a subwoofer, I highly recommend you install the separate sub volume control. I was hesitant, but after experiencing the wide variety of bass levels of source music, and needing more bass with the top down, it’s essential. Also, some of the comments on Crutchfield in the Reviews sound very helpful.

https://www.crutchfield.com/S-E091pB...DSPX-ETH1.html

https://axxessinterfaces.com/product/AXDSPX-ETH1
Thanks, I was thrilled to have a 2019+ Bose bypass solution actually come to market since the 2016-18 stuff won't work and the 6th gen is on its way out.
__________________
2022 Camaro 2SS A10
2007 Trailblazer SS
DualSS is offline   Reply With Quote
Old 08-16-2023, 05:33 PM   #7
Capricio
 
Drives: 2000 WS6
Join Date: Dec 2014
Location: AZ
Posts: 664
The Metra module has a fully functional DSP using their phone app over bluetooth, correct? Does this negate the need for DSP features in the aftermarket amp? I haven't taken a full inventory of all the speakers/components in my 2SS 1LE. Are there really 8 channels being driven? Internet indicates a total of 7.


Any guidance on freq cutoffs and timing settings?


I think I want to go this route with the ST FF box and a single 12" with a monoblock ClassD. Replacing the amp and adding a sub seems like a good cost effective "all in the trunk" solution. Replacing speaker is something I'd rather do in phases, not all at once.


I assume all the Bose elements are 2 Ohm or are they some crazy matched impedance like they are infamous for?


The cheapest semi-decent 8 channel amp runs about $450ish (JBL DSP4086), is 60RMS at 2 Ohm adequate/improvement compared to what the stock amp outs out? Since I think I don't need DSP in the amp with DSP in the Metra module, would I bet better off with 2x four channel amps (plus a monoblock)?



would the monoblock take two of the Metra outputs so i really only need a six channel amp? Guessing more likely it would take the 8th pre-out from the Metra module


Will two amps fit underneath the ST FF box? Maybe I could repurpose my factory amp area for an actual spare tire donut?


...sorry, so many questions. I tried reading other threads and looked on youtube, but haven't found much.

Last edited by Capricio; 08-16-2023 at 07:33 PM.
Capricio is offline   Reply With Quote
Old 08-20-2023, 10:27 PM   #8
keep_hope_alive
Electrical Engineer
 
keep_hope_alive's Avatar
 
Drives: 2023 1SS A10 Black
Join Date: Apr 2022
Location: Illinois
Posts: 921
Quote:
Originally Posted by Capricio View Post
The Metra module has a fully functional DSP using their phone app over bluetooth, correct? Does this negate the need for DSP features in the aftermarket amp? I haven't taken a full inventory of all the speakers/components in my 2SS 1LE. Are there really 8 channels being driven? Internet indicates a total of 7.
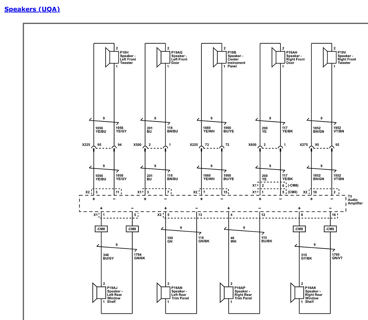
These are the speakers. This is for a 2023 with Bose (UQA option), all schematics are available on ACDelcoTDS; for a 3-day subscription you can snag everything you need.


Quote:
Originally Posted by Capricio View Post
Any guidance on freq cutoffs and timing settings?
For this, I use an RTA software and a USB soundcard to snag the factory output frequency response. Most DSP will be able to sum the factory signals, but this isn't as helpful when they have time alignment differences. This is why a digital interface is preferred, when available.


Quote:
Originally Posted by Capricio View Post
I think I want to go this route with the ST FF box and a single 12" with a monoblock ClassD. Replacing the amp and adding a sub seems like a good cost effective "all in the trunk" solution. Replacing speaker is something I'd rather do in phases, not all at once.
So you want to drive the factory speakers with an aftermarket amp? That won't go as well as you'd expect since the Bose system is tuned specifically for those speakers. With a ton of effort, tech, and skill, i'm sure you could improve with the factory speakers.

Quote:
Originally Posted by Capricio View Post
I assume all the Bose elements are 2 Ohm or are they some crazy matched impedance like they are infamous for?
This only matters if you're driving the speakers from an aftermarket amp. In which case, assume low impedance, but any modern amp will handle this with ease as long as only one speaker is used per channel.


Quote:
Originally Posted by Capricio View Post
The cheapest semi-decent 8 channel amp runs about $450ish (JBL DSP4086), is 60RMS at 2 Ohm adequate/improvement compared to what the stock amp outs out? Since I think I don't need DSP in the amp with DSP in the Metra module, would I bet better off with 2x four channel amps (plus a monoblock)?
AXDSPX-ETH1 will give you the DSP you need, so you can save money on amp(s). Better DSP will provide better control, but your budget doesn't include that, which is ok.

You will need a separate input for each output in the amp, so an 8ch amp needs 8 input channels.

Quote:
Originally Posted by Capricio View Post
would the monoblock take two of the Metra outputs so i really only need a six channel amp? Guessing more likely it would take the 8th pre-out from the Metra module


Will two amps fit underneath the ST FF box? Maybe I could repurpose my factory amp area for an actual spare tire donut?


...sorry, so many questions. I tried reading other threads and looked on youtube, but haven't found much.
AXDSPX-ETH1 provides 10 outputs.

Most will redesign the space under the trunk floor to house amps and DSP.

Figure that the factory rear deck subs will fight with the new trunk sub so you either want to remove them or enclose them. They would make decent midbass drivers if you put enclosures around them in the trunk.

If you're doing rear deck enclosures, you can build your amp rack under the rear deck. Modern amps don't mind being mounted like that and it keeps the rest of the trunk space clear.
__________________
2023 1SS A10 Black H72/C2U/56W/NPP - Daily Driver

1100: 5/3/22 . . . . . . . 2000: 6/25/22 . . . . . .4000: 8/17/22 . . . . . . . 6000: 9/10/22

Daily Driver mileage update: 45k mi. @ Mar 2025
New Engine @ 22,600 mi. due to dealer confusing bad gas with a bad engine.

Build Log: https://www.camaro6.com/forums/showt...6#post11353116
keep_hope_alive is offline   Reply With Quote
Old 08-21-2023, 01:01 PM   #9
Capricio
 
Drives: 2000 WS6
Join Date: Dec 2014
Location: AZ
Posts: 664
Quote:
Originally Posted by keep_hope_alive View Post
These are the speakers. .
Just wanted to post a quick Thank-you for the detailed response... I need to digest it all later, maybe follow up with some more questions.
Capricio is offline   Reply With Quote
Old 08-21-2023, 01:09 PM   #10
olrocker

 
olrocker's Avatar
 
Drives: People crazy with my sexiness
Join Date: Jun 2023
Location: Northeast Ohio
Posts: 1,007
Some great info here! Just have to get my car delivered from Lansing first lol
__________________
Purchase order submitted on 6/23/23
Received and purchased 9/8/2023
2024 2SS 6MT coupe
Sharkskin/Light gray
Moonroof/Navi/NPP/Mag Ride/Red Brake Calipers
Gray painted split spoke wheels
Illuminated footwells/illuminated bowtie
olrocker is offline   Reply With Quote
Old 09-08-2023, 10:16 AM   #11
Capricio
 
Drives: 2000 WS6
Join Date: Dec 2014
Location: AZ
Posts: 664
Installed the ST FF enclosure last night with a single JL Audio 12W0v3-4. It seemed like the best option for the large displacement of the sealed box. The box itself is a sturdy well fitting unit. Expensive to ship! One of my friends donated at an old Alpine MRV-M500 which I was glad to get since Speaker Level input/activation seems to a feature that is being phased out of new products. We mounted it on top of the enclosure which fit right between the semi-circle shrouds around the rear console/sill bass speakers. Wiring was straightforward using the ST harness and ANC delete. Used a 4 AWG OFC amp power kit from Skar for about $50. Only used about half of the 4 AWG and most of the speaker wire running 3 lines between the ST harness and the amp speaker level input. Took a bit of shoving/maneuvering to shoehorn that massive box in place, esp since I have a Spyder 3D trunk mat taking up about 1/8" of vertical space. But, it isn't going to jiggle around or slide, now. Ran an RJ11 phone cord into the glove box for now for the gain knob. Played with the settings for a bit. Initial impressions are good. Fuller deeper bass by a large margin. Less "muddied up" response from the Bose mid-bass.

I still want to explore replacing the Bose amp with the Metra DSP harness, but getting mixed reviews if that is worth the effort/expense without replacing ALL of the speakers, which for me is a much larger project. For now, i'll settle for a larger "real" sub which is something I'd want in any end-state, regardless. Only loss would be on the ST harnesses.
Capricio is offline   Reply With Quote
Old 09-08-2023, 12:37 PM   #12
DamonZ28

 
DamonZ28's Avatar
 
Drives: 2020 Camaro 2SS
Join Date: Nov 2022
Location: Janesville, WI
Posts: 829
Quote:
Originally Posted by Capricio View Post
Installed the ST FF enclosure last night with a single JL Audio 12W0v3-4.
I really like the sound of my added sub as well. I went a similar route and it sounds so much better. Got any pics of your setup?
__________________
2020 Camaro 2SS - Riverside Blue, NPP, Magnetic Ride, Sunroof
Soler DLX Bluetooth Throttle Controller / OFFKAT Smoked LED Side Marker Lights / Blue SS emblems on front & rear / Wildhammer Rear Dark Reflectors / Trim Illusion Gloss Black Door Handle Covers / eBay Black Fuel Door / Screaming Chicken Fender Hash Marks / Color-Matched G2 Caliper Paint
CT Sounds Tropo 10" Sub / Down4Sound MM1000 Mini Maxx amp / JL Audio LoC-22 line output converter / Sub Thump Plug N Play T-Harness With ANC Defeat Harness Kit

My Camaro Journal
DamonZ28 is offline   Reply With Quote
Old 09-09-2023, 09:43 AM   #13
Capricio
 
Drives: 2000 WS6
Join Date: Dec 2014
Location: AZ
Posts: 664
Name:  PXL_20230909_010746569.MP.jpg
Views: 4578
Size:  267.1 KB

Name:  PXL_20230909_010733522.jpg
Views: 4083
Size:  382.6 KB

Name:  PXL_20230909_010723045.jpg
Views: 4112
Size:  379.8 KB

Name:  PXL_20230909_010706353.MP.jpg
Views: 4084
Size:  466.6 KB
Quote:
Originally Posted by DamonZ28 View Post
I really like the sound of my added sub as well. I went a similar route and it sounds so much better. Got any pics of your setup?
Capricio is offline   Reply With Quote
Old 09-22-2023, 08:41 AM   #14
olrocker

 
olrocker's Avatar
 
Drives: People crazy with my sexiness
Join Date: Jun 2023
Location: Northeast Ohio
Posts: 1,007
So I have an update:

I have purchased my speakers and have the install scheduled for next Friday. I'm too old and fat to be crawling around and under the small trunk and back seat of this car so I'm going to have someone I trust do it. When I was 25 I did it no problem but that ship sailed 20 years ago lol.

Here's my system setup:

Remove all Bose speakers and factory GM/Bose processor/amp

Install Axxess AXDSPX-ETH1 GM Ethernet processor/converter that is specifically designed for 2019-24 Camaro/Bose systems to convert GM Ethernet Datalink to 8 full bandwidth, unlimited and uncompressed analogue RCA pre-amp channels plus two subwoofer channels. It also maintains all factory chimes, warnings, reverse sensors and cross-traffic alerts.

Replace speakers with two sets JBL Stadium 962 CF components, replacing the rear side wing 5 1/4" speakers with the JBL tweeters

Install 2 Alpine MRV-F 4 channel amplifiers bridged down to two channels each, one for the fronts and one for the rears (amps are from 1998)

No subwoofers. I'll be running both the front and rears in full bandwidth, and with 4 6x9s properly tuned I'm very certain the bass response will be excellent without a sub. I had a similar setup in my old Honda Prelude with the same amplifiers and 95% of the time you didn't know there was no sub woofer.

I'll ask my installer to take some pictures while he's in the process of the project. Really looking forward to this. I've heard some great things about this Axxess processor and how it completely "opens up" the full potential of the system which the Bose design holds back a lot.
__________________
Purchase order submitted on 6/23/23
Received and purchased 9/8/2023
2024 2SS 6MT coupe
Sharkskin/Light gray
Moonroof/Navi/NPP/Mag Ride/Red Brake Calipers
Gray painted split spoke wheels
Illuminated footwells/illuminated bowtie
olrocker is offline   Reply With Quote
 
Post Reply


Posting Rules
You may not post new threads
You may not post replies
You may not post attachments
You may not edit your posts

BB code is On
Smilies are On
[IMG] code is On
HTML code is Off

Forum Jump


All times are GMT -5. The time now is 12:05 AM.


Powered by vBulletin® Version 3.8.9 Beta 4
Copyright ©2000 - 2026, vBulletin Solutions, Inc.