Homepage Garage Wiki Register Community Calendar Today's Posts Search
#Camaro6
Go Back   CAMARO6 > Technical Camaro Topics > Suspension | Brakes | Chassis


Phastek Performance


Post Reply
 
Thread Tools
Old 03-23-2026, 12:23 PM   #1
bereic
 
bereic's Avatar
 
Drives: Camaro SS 2018 Convertible
Join Date: Apr 2019
Location: Switzerland
Posts: 124
MRC wire damaged - which wire in which PIN?

Hello,

During the brake service the service guy damaged the MRC wiring on the front left side.
Then he took the connector away and took out the remaining cable without taking a photo in which PIN it was.

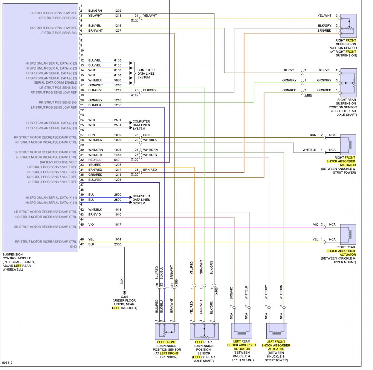
In the first picture you will see the wires coming from the shock absorber where you see 2 different colors of the wirings.
The second one shows the schematic plan which indicates NCA (i guess NoColorAssigned ? ).

Is someone able to tell us which wire comes in which PIN-Slot of the connector?
2018 Camaro Convertible.

Thank you
Attached Images
  
bereic is offline   Reply With Quote
Old 03-23-2026, 01:27 PM   #2
bishopts

 
bishopts's Avatar
 
Drives: 2017 2ss 6mt
Join Date: Mar 2024
Location: dallas
Posts: 1,485
That will function the same in either direction. So who is in terminal 1 or 2 doesn't matter
bishopts is offline   Reply With Quote
Old 03-23-2026, 01:28 PM   #3
bishopts

 
bishopts's Avatar
 
Drives: 2017 2ss 6mt
Join Date: Mar 2024
Location: dallas
Posts: 1,485
But. One of them might still have a terminal in it. So that one is tan.

Also most connectors will have a numbering system molded in them. If not on the one your looking at. Probably on the one it connects to.
Attached Images
 

Last edited by bishopts; 03-23-2026 at 01:54 PM.
bishopts is offline   Reply With Quote
Old 03-23-2026, 03:02 PM   #4
bereic
 
bereic's Avatar
 
Drives: Camaro SS 2018 Convertible
Join Date: Apr 2019
Location: Switzerland
Posts: 124
Quote:
Originally Posted by bishopts View Post
That will function the same in either direction. So who is in terminal 1 or 2 doesn't matter
Are you sure?

Pin 1: LF Strut Motor Increase Damp Ctrl
Pin 2: LF Strut Motor Decrease Damp Ctrl


Quote:
Originally Posted by bishopts View Post
But. One of them might still have a terminal in it. So that one is tan.

Also most connectors will have a numbering system molded in them. If not on the one your looking at. Probably on the one it connects to.
Unfortunately he took the terminal out. :-(
Otherwise it would be easy.
Attached Images
 
bereic is offline   Reply With Quote
Old 03-23-2026, 03:46 PM   #5
bishopts

 
bishopts's Avatar
 
Drives: 2017 2ss 6mt
Join Date: Mar 2024
Location: dallas
Posts: 1,485
Quote:
Originally Posted by bereic View Post
Are you sure?

Pin 1: LF Strut Motor Increase Damp Ctrl
Pin 2: LF Strut Motor Decrease Damp Ctrl




Unfortunately he took the terminal out. :-(
Otherwise it would be easy.
Yes. It will work either direction.

Looks like identifix diagrams
bishopts is offline   Reply With Quote
Old 03-23-2026, 03:58 PM   #6
bishopts

 
bishopts's Avatar
 
Drives: 2017 2ss 6mt
Join Date: Mar 2024
Location: dallas
Posts: 1,485
The symbol is a generic electro mechanical solenoid, which is an electromagnet that moves a valve. Apply power to one and ground to the other and it will activate. Flip them and try and it will do the same thing.
With the base attached to wires that are NCA usually means its not relevant which direction its hooked up also. If it were important then it would have specific colors all the way to the device.

Last edited by bishopts; 03-28-2026 at 09:06 AM.
bishopts is offline   Reply With Quote
Old 03-28-2026, 04:44 AM   #7
bereic
 
bereic's Avatar
 
Drives: Camaro SS 2018 Convertible
Join Date: Apr 2019
Location: Switzerland
Posts: 124
Thank you.
According all ressources in the net and AI you were right. Thank you.
Nevertheless, i've checked it on a friends car which is the same year.. and it was

White wire in Pin1
Black wire in Pin2
bereic is offline   Reply With Quote
Old 03-28-2026, 09:09 AM   #8
bishopts

 
bishopts's Avatar
 
Drives: 2017 2ss 6mt
Join Date: Mar 2024
Location: dallas
Posts: 1,485
Quote:
Originally Posted by bereic View Post
Thank you.
According all ressources in the net and AI you were right. Thank you.
Nevertheless, i've checked it on a friends car which is the same year.. and it was

White wire in Pin1
Black wire in Pin2
Cool.
Is it all working now?
bishopts is offline   Reply With Quote
 
Post Reply


Posting Rules
You may not post new threads
You may not post replies
You may not post attachments
You may not edit your posts

BB code is On
Smilies are On
[IMG] code is On
HTML code is Off

Forum Jump


All times are GMT -5. The time now is 04:04 AM.


Powered by vBulletin® Version 3.8.9 Beta 4
Copyright ©2000 - 2026, vBulletin Solutions, Inc.